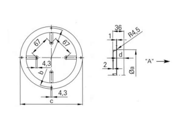
EBM Wandring D=230mm drückend (A) 52553-2-4037