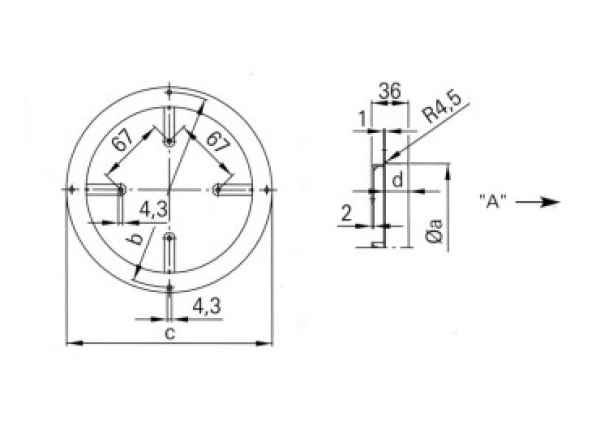
EBM Wandring D=200mm drückend (A) 52552-2-4037